Энергоэффективная эксплуатация скважинных насосов ЭЦВ
Водоснабжение и водоотведение относятся к отраслям промышленности с интенсивным использованием насосного оборудования. Доля электроэнергии, потребляемой насосами, составляет более 50% от общего энергопотребления. В связи с этим вопрос снижения затрат на электроэнергию для водоснабжающих организаций заключается в эффективной эксплуатации насосного оборудования, в т.ч. скважинных насосов. Работа в данном направлении является одной из приоритетных задач специалистов ОАО «Группа ГМС» — крупнейшего производителя насосов в России для различных отраслей промышленности.
Предприятия ОАО «Группа ГМС» (ОАО «ГМС Насосы» (до 26.06.2010 ОАО «Ливгидромаш»), ОАО «Ливнынасос», ОАО «Завод Промбурвод») производят широкую номенклатуру насосов для водного хозяйства, а также имеют возможность обеспечить оперативную разработку индивидуальных решений, способных адаптировать параметры оборудования под индивидуальные требования системы Заказчика, что значительно снижает энергопотребление и увеличивает срок службы насосного оборудования.
Высокопрофессиональная команда конструкторов Группы, обладающая многолетним опытом в области насосостроения, позволяет оперативно предоставить Заказчику необходимые консультации по выявлению и устранению причин неэффективной работы насосов.
Кроме оптимального энергопотребления, насосное оборудование Группы отличает надежность, подтвержденная многолетним опытом эксплуатации насосов на различных объектах, качественное сервисное обеспечение и доступная цена. Эти факторы влияют на принятие решения при выборе поставщика насосов и делают насосное оборудование ОАО «Группа ГМС» конкурентоспособным по сравнению с аналогичным оборудованием западных производителей.
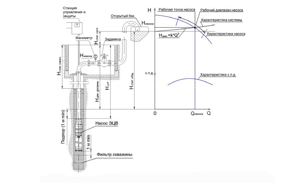
Основным условием эффективной и надежной эксплуатации насосного оборудования является согласованная работа насоса в системе. Это условие выполняется в том случае, если рабочая точка, определяемая пересечением характеристики системы и насоса, находится в пределах рабочего диапазона насоса:
В общем случае характеристика системы включает две составляющие ‐ статическую и динамическую. Таким образом, Нсист=Нстат.общ.+Ндин.. Динамическая составляющая характеристики системы описывается квадратичной зависимостью от расхода ‐ Ндин.=k*Q2, поэтому выражение приобретает следующий вид: Нсист=(Ндин.уровень+Нстат.сист.)+k*Q2(уравнение1, рис.1), где s ‐ зависит от потерь по длине трубопровода и потерь на местных сопротивлениях, Ндин.уровень – динамический уровень скважины, Нстат.сист. – статический напор системы относительно устья скважины. Ошибочная оценка требуемых параметров системы является основной причиной неверного подбора насосного оборудования, что объясняется сложностью определения зависимости Ндин=f(Qскв), потерь в трубах и арматуре, особенно бывших в эксплуатации.
1. Переразмеривание насосов, т.е. установка насосов с параметрами подачи и напора большими, чем требуется для обеспечения работы насосной системы.
2. Регулирование режима работы насоса при помощи задвижек. Применительно к скважинным насосам ЭЦВ потребители довольно часто выбирают насос с запасом по напору, полагая, что это гарантирует работу насоса при любых условиях. В этом случае рабочая точка смещается в правую зону и выходит за пределы рабочего диапазона, что приводит к увеличению потребляемой мощности, падению КПД перегрузке электродвигателя, а также ряду проблем механического характера, что значительно повышает риск поломки агрегата:
Потери мощности на задвижке можно оценить из следующего выражения: N=ρ*g*Q2*(H2‐H1)/1000 [кВт], где Н2, Н1 – разность напоров (давлений) до и после задвижки. Часто потребители ошибочно относят низкую энергетическую эффективность системы «насос‐ сеть» на счет низкого КПД насоса. Следствием этого является формирование у потребителя мнения о некачественных и неэффективных насосах.
При модернизации объектов водоснабжения или замене насосного оборудования одной из главных целей является снижение энергопотребления.
На действующих объектах можно достаточно просто определить характеристику системы в соответствии с выражением из уравнения 1. Зная значение давления в системе или Нсист, соответствующее этому значению величину подачи Q, величину статического напора, можно получить значение коэффициента k и построить характеристику. Если параметры водопотребления меняются во времени, то характеристику необходимо построить для минимального, максимального и наиболее продолжительного режима.
Оптимальное энергопотребление оказывает существенное влияние на жизненный цикл насоса. Расчет технико‐экономического обоснования конкурентоспособности выполняется по методике стоимости жизненного цикла, разработанного профильными западными институтами.
В таблице рассматриваются основные методы, которые, по данным Гидравлического института США и Европейской ассоциации производителей насосов, приводят к снижению энергопотребления насосов, а также дана величина потенциальной экономии.
Основной потенциал по энергосбережению заключается в замене регулирования подачи насоса задвижкой на частотное или каскадное регулирование, т.е. применении систем способных адаптировать параметры насоса под требования системы. При принятии решения о применении того или иного способа регулирования необходимо учитывать, что каждый из этих способов также следует применять, отталкиваясь от параметров системы, на которую работает насос.
Скважинные насосы, как правило, работают на сеть с большой статической составляющей.
Если при номинальной частоте вращения КПД насосного агрегата составляет 60%, то снижение до 83% от номинала приводит снижению КПД до 35%.
Таким образом, при работе центробежного насоса на сеть с преимущественной статической составляющей применение частотного привода нерационально и требует более тщательного анализа и учета других факторов.
Применение частотного привода для скважинных насосов сопряжено с рядом дополнительных факторов, которые необходимо учитывать при принятии решения.
1. При снижении частоты вращения и уменьшении подачи снижается скорость обтекания электродвигателя, что может привести к его перегреву. Поэтому необходимо точно знать, как снизится подача при снижении частоты вращения, если насос будет работать на заданную систему. При необходимости применять кожухи охлаждения и электродвигатели большей мощности.
2. В электродвигателях скважинных насосов применяются подшипники скольжения, работа которых требует гарантированного присутствия между парами трения слоя жидкости. При снижении частоты вращения возникает риск возникновения полусухого и сухого трения, что вызывает износ элементов осевого и радиальных подшипников. Надежная работа подшипников скольжения требует ограничения минимальной частоты вращения.
Частотное регулирование является оптимальным решением при работе на систему с динамической составляющей. Как видно из графика ниже, значение КПД практически остается постоянным во всем диапазоне регулирования.
Твердохлеб И.Б., к.т.н., директор по НИОКР ОАО «УК «ГМС»







